
全国咨询热线
Ulvac爱发科VDN301/VDN401油旋片真空泵

特长
● 低噪音设计和精密的加工,达到了低噪音化
● 优秀的保养、维修性能
● 清洗保养、油封等的更换容易。
● 油量确认、油补充、油更换的方向为同一操作方向。
● 采用1.0~2.5升可变油量方式。
● 采用强制供油方式。能对应全压强领域的连续运转。
用途
● 镀膜、溅射、离子镀、气体置换、充填、真空隔热
● 真空干燥、冷冻干燥、真空脱气、分析机器、检漏装置
● 真空包装、真空吸附、搬运、真空成形、真空铸造等。
技术参数:
型 式 | VDN301 | VDN401 | VDN602 | VDN902 | |||
设计抽气速率 | 50HZ | m3/h(L/min) | 30/(500) | 40/(670) | 60/ (1000) | 90/ (1500) | |
极限压力*1 Pa | 气镇阀关 | 6.7×10-1 | 6.7×10-1 | 6.7×10-1 | 6.7×10-1 | ||
气镇阀开 | 2.0 | 2.0 | 2.0 | 2.0 | |||
电机 | kW(极数) | 1.1(4P) *2 | 1.5(4P) | 2.2 (4P) | 3.7(4P) | ||
电压/频率 | 380/400/415-50 380/400/440-60 | 380/400/415-50 380/400/440-60 | 380/400/415-50 380/400/440-60 | 380/400/415-50 380/400/440-60 | |||
所需油量 | L | 1.0~2.5 | 1.0~2.5 | 2.5~4.0 | 2.5~4.0 | ||
使用油 | ULVOIL R-7 | ULVOIL R-7 | ULVOIL R-7 | ULVOIL R-7 | |||
吸气口径 | JIS B 2290相当于VG40 | IS B 2290相当于VG40 | 相当于VG50 | 相当于VG50 | |||
排气口径 | JIS B 2290相当于VG40 | JIS B 2290相当于VG40 | IS B 2290相当于VG40 | IS B 2290相当于VG40 | |||
重量 | kg | 59 | 61 | 88 | 105 | ||
*1.皮拉尼真空计的设定值,如用麦氏真空计测量则约为. 6.7×10-2Pa。
*2.VDN301泵在50Hz使用时的电机为1.1kW;而60Hz使用场合,电机应配1.5kW。
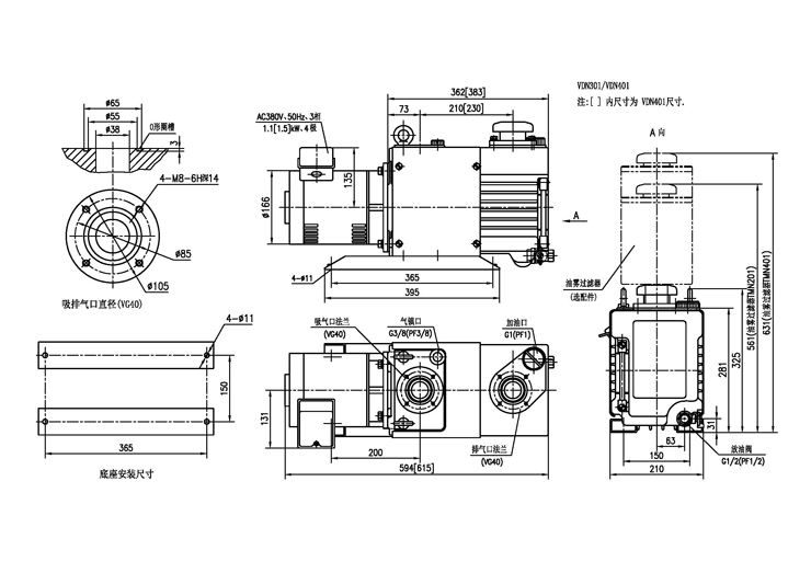
外形尺寸:

抽速率曲线:
