全国咨询热线
真空泵&系统
Schmied Vacuum Pump
进口真空泵
Vacuum Pump
里其乐Rietschle
Rietschle Vacuum Pump
贝克BECKER
Becker Vacuum Pump
莱宝Leybold
Leybold Vacuum Pump
好利旺ORION
Orion Vacuum Pump
爱德华Edwards
Edwards Vacuum Pump
爱发科Ulvac
Ulvac Vacuum Pump
其他品牌Other
Other Vacuum Pump
Ulvac爱发科GLD-N201油旋片真空泵
特长
● 高性能、高质量、高可靠性的油旋片式真空泵● 散热效果好、真空度高● 油位视窗大,便于确认油污染状况● 低震动、低噪音等优点
用途
● 冰箱、空调、饮水机自动抽空线● 照明理化学实验用、分析仪器用● 激光应用机器真空排气设备、真空干燥器● 电子显微镜的辅助泵、半导体制造设备
● 溅射设备、真空镀膜设备
技术参数:
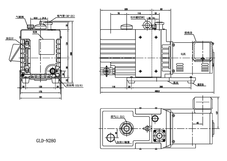
外形尺寸:
抽速率曲线:
真空泵产品 | 真空泵维修 | 维修估价 | 应用案例 | 真空泵资讯 | 关于我们 | 真空泵 |
Copyright © http://www.vacuump.com All rights reserved 施迈德 版权所有粤ICP备17008970号
惠州市华晟机电设备有限公司服务热线:13927365016地址:三栋镇惠南工业园技术支持:汉邦科技惠州市惠达光纤网络科技有限公司