
18319596809
全国咨询热线

| 容积 | |
| 50Hz | 9.7 m3h-1/5.7 ft3min-1 |
| 60Hz | 11.7 m3h-1/6.9ft3min-1 |
| 速度 (Pneurop 6602) | |
| 50Hz | 8.5 m3h-1/5 ft3min-1 |
| 60Hz | 10 m3h-1/5.9 ft3min-1 |
| 极限压力 | 2 x 10-3 mbar/1.5 x 10-3 Torr |
| 极限压力 GB I | 3 x 10-2 mbar/2.3 x 10-2 Torr |
| 极限压力 GB II | 6 x 10-2 mbar/4.6 x 10-2 Torr |
| 极限压力(带 Fomblin®) | 2 x 10-2 mbar/1.5 x 10-2 Torr |
| 水蒸汽的最大入口压力 | 38 mbar/28.5 Torr |
| 最大水蒸汽抽取速度 – GB I | 60 gh-1 |
| 最大水蒸汽抽取速度 – GB II | 220 gh-1 |
| 允许的最大出口压力 | 0.2 bar 压力表压力/ 2.8 psig |
| 允许的最大入口压力和气囊压力 | 0.5 bar 压力表压力/7 psig |
| 马达功率 50/60Hz | 450/550W |
| 电源连接器(1 相) | IEC EN60320 C13 |
| 标称转速 50/60Hz | 1500/1800rpm |
| 重量(不含油) | 28 kg/61.6 lb |
| 最小/最大油容量 | 0.45/0.75 升 |
| 推荐用油 | Ultragrade 19 |
| 入口法兰 | NW25 |
| 排气口法兰 | NW25 |
| 噪声级别 | 50Hz 时 48 dB(A) |
| 操作温度范围 | 12 – 40 °C |
性能:

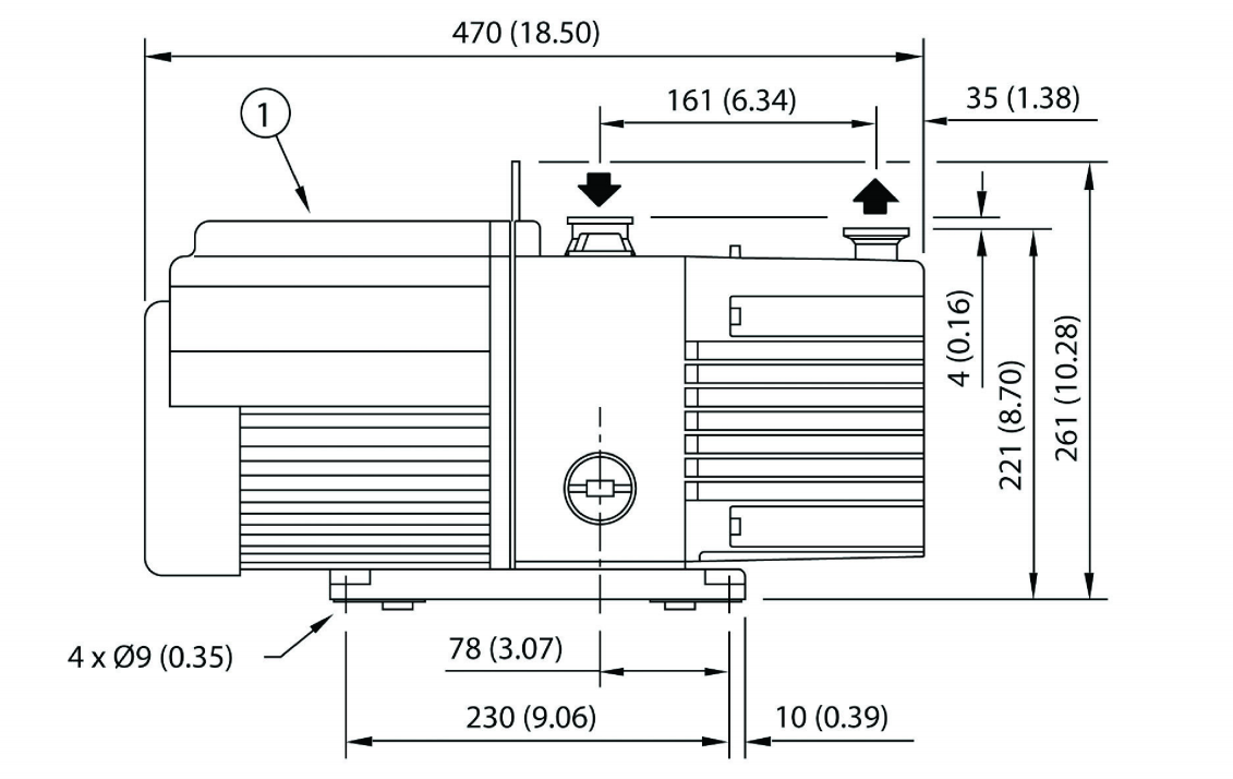
尺寸:


