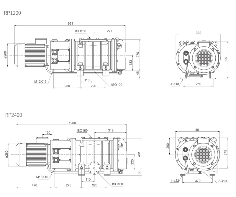
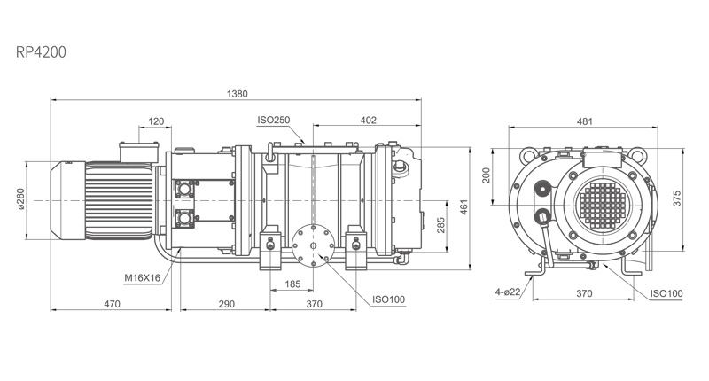
classification:Dry Vacuum Pump






COMPOSITION DES KITS
Les jeux de joints et lots de maintenance fournis par SchmiedVac, sont constitues, dans la plupart des cas,Au minimum des memes pieces que ceux des constructeurs. Dans UN soucis de rationnalisation des gammes,Vous pouvez vous retouver avec des pieces supplementaires qui correspondent a des modeles ou des versions similaires. Nous avons aussi ajoute des pieces qui Nous semblent indispensables dans uneOperation de maintenance mais qui n'ont pas ete prevues dans les lots de maintenance du constructeur. Conactez le service client pour plus d'informations.
BUSCH
Pompes a vide Lubrifiees
Ju de Clapets can be used at all levels of the joints at all levels of the joints at all levels of the joints at all levels of the
joints.
Kit Filtres: joins plats de Trappe, Filtres separateurs, FILTRE a Huile, joins Toriques de Remplissage et de Vidange, FILTRE
Mousse
In the Golden State, the Lot de Maintenance: Jeu de Maintenance, Palettes, Boulements, Niveau d 'Huile, Filtres separateurs, FILTE
a Huile, FILTE Mousse, Clapets de Refoulement (Si indiques)...
Pompes a vide et compresseurs a palettes fonctionnant a SEC (SECO)
Palettes Budget: Graphite standard economique
Palettes Premium: Graphite de Grade Superieur, Uure Reduite, Intervalles de Maintenance Allonges, Duree de Vie Jusqu 'a 30%
Suivant les Conditions d 'Utilisation
Lot de Maintenance: Joints Plats, Joints Toriques, Filtres, Roulements (Si necessaires), Jeu de Palettes...
Leybold
Pompes a vide Lubrifiees Trivac (A, B, BCS, C et E)
Jeu DE joints, joints plats, joints toriques, joints, a levre etoile d 'accouplement, dehuileur interne (selon modeles)...
Lot de Maintenance: Jeu de Joints, Palettes, Clapets (Selon Modeles)...
Roots Ruvac (Ra WA Wau WS WSU)
Toriques, Toriques, Toriques, Toriques, Toriques, Toriques, Toriques, Toriques, Toriques, Toriques...
Lot de maintenance : jeu de joints, bague de sortie d'arbre, roulements, segments ...
Pompes a Spirale Scrollvac (SC)
Kit de joints spirale : spirales, joint torique
Lot de Maintenance: Spirales, Joints Toriques, Joints a Levre, Roulements, Excentriques, Circlips, ResSorts, EToile d
'Accouplement (Selon Modeles)....
Pompes a vide lubrifiees SOGEVAC et VAROVAC
Toriques and Toriques can be used to check the strength of the joints at all levels. All joints can be used to check the strength
Elmo Rietschle
Pompes a vide et compresseurs a palettes fonctionnant a SEC
Palettes Budget: Graphite standard economique
Palettes Premium: Graphite de Grade Superieur, Uure Reduite, Intervalles de Maintenance Allonges, Duree de Vie Jusqu 'a 30%
Suivant les Conditions d 'Utilisation
Jeu de joints : joints plats, joints toriques ...
Pompes a vide Lubrifiees VC VCA/E VCB VGA/C/D
Kit d'entretien: can be used at all joints in the joint...
Kit Reparation: Palettes, Roulements, Filtres separateurs...
Lot de Maintenance: kit d'entretien et kit reparation
ORION
Pompes a vide et compresseurs a palettes fonctionnant a SEC
Palettes Budget: Graphite standard economique
Palettes Premium: Graphite de Grade Superieur, Duree de Vie Jusqu 'a 30% Suivant les Conditions d 'Utilisation
Lot de Maintenance: Joints Plats, Joints Toriques, Filtres, Roulements, Jeu de Palettes, Courroies (Selon Modeles)...

Vollsun electromechanical equipment co., LTD. Is a very important production center of good SCHMIED in Asia.16 years of
manufacturing experience since its inception in 2002.Master advanced vacuum application core technology and vacuum equipment and
vacuum system professional production experience, quickly grow into one of the vacuum technology solution suppliers.

In the Chinese market, we are a professional vacuum equipment supplier integrating r&d, manufacturing, sales and service,
providing a series of vacuum products and professional vacuum system solutions for China's vacuum application field.

strong vacuum pump development capacity and strict manufacturing quality control system, our quality management system has passed
the iso9001:2015 certification.We have complete precision test equipment, including CMM, dynamic balancing instrument and vacuum
certifications, and are registered as high-tech products
and utility model products by China intellectual property office.

Since entering the Chinese market, we have been providing customized, efficient, stable, safe and reliable vacuum solutions and
vacuum pump products to our customers in the fields of electronics, semiconductor industry, pharmaceutical industry, laboratory
equipment, coating, solar energy, petrochemical industry and other industries.
At present, SCHMIED brand vacuum pump products sales network throughout the world, and in Europe, America, Australia, the Middle
East region set up a dealer service network, products exported to more than 50 countries.






